简述
该问题主要针对机翼前梁关键区域的损伤容限评估,以确定检查间隔。关键区域包括梁盖和机翼蒙皮。建立了飞机有限元模型来确定应力,并使用标准AFGROW应力强度因子解对临界区域进行了建模。对寿命预测模型进行了验证试验。
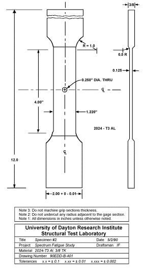
该问题集中在机翼前梁的关键区域,如图UD-1.1(照片)所示,并由图UD-1.2 - UD-1.4的图纸进一步描述。关键区域包括梁盖和机翼蒙皮。梁盖由2024-T3511铝制成,外壳由2024-T3铝制成。紧固件直径为0.25,连接帽、蒙皮和管件。具体区域如图UD-1.4所示,并标注了预期裂纹路径。

图UD-1.1从机翼外拍摄的关键区域照片

图UD-1.2关键区域总体位置

图UD-1.3从机翼底部向上看关键区域的结构细节

图UD-1.4关键位置的详细几何图如图UD-1.3所示
结构模型
有限元模型用于确定临界区域的应力水平。这个几何的载荷是拉力。
如果有限元模型的细节对问题很重要,那么模型应该在这里描述,使用图纸来说明模型。

图 SIE-4.4.具有裂纹单元的有限元网格示例
几何模型说明
临界裂纹的几何形状被建模为来自偏心孔的角裂纹,裂纹向短边扩展。对应的AFGROW裂纹几何模型称为孔处单角裂纹,如图UD-1.5所示。假设2.5英寸的宽度(W)代表从板边缘到下一个孔的距离。边缘距离B为0.61,厚度t为0.125,孔半径D/2为0.125英寸。图UD-1.6描述了几种a/c比下的长度方向beta因子(K/s)。
在这个分析中做了一些假设。这些假设大多是保守的,导致预测寿命较短。这些假设包括:直柄孔,开孔,无载荷传递,无冷加工造成的局部残余应力,无迟滞。

图UD-1.5应力强度因子的裂纹几何模型

图UD-1.6不同裂纹长径比(a/c)下孔角裂纹的表面长度Beta (K/s)因子
检测能力和裂纹极限
法兰和蒙皮上的孔被机翼-机身附件所覆盖。拆除紧固件后,只能看到孔的内部。因此,用x光检查这些区域。通过x射线检测,现场可检测到的最小裂缝尺寸为0.5英寸。
结构载荷和应力历史描述
应力谱在表UD-1.1中给出,其中飞行历史是最大谱应力(10.7 ksi)的一个分数。频谱中有1590个循环,这代表了10个飞行。每次飞行一小时。

表UD-1.1。问题UDRI-1的飞行历史数据
材料特性描述
表UD-1.2给出了两种铝合金沃克方程的参数以及其他材料参数。关于沃克常数的详细描述将在第5节中介绍。

表UD-1.2。材料性能和增长率数据
解决方案技术
使用AFGROW可以方便地解决这类问题。AFGROW分析输入文件如表UD-1.3所示。

表UD-1.3。问题UDRI-1的AFGROW输入文件
频谱包含在一个名为spectrum的单独文件中。如表UD-1.4所示。所定义的分段的每一次重复代表十次飞行,每一次飞行代表一个小时.使用AFGROW术语,将频谱输入为带有一个子频谱的阻塞频谱。在本例中,子谱为表UD-1.1中给出的应力块。

表UD-1.4。问题UDRI-1的AFGROW子谱文件
总结
临界裂纹尺寸/剩余强度采用断裂的欧文判据,即

该标准嵌入在AFGROW代码中,用于确定临界贯穿厚度裂缝尺寸(c) = 0.458英寸。在大约一半寿命时,角裂纹转变为通厚裂纹。
寿命
通过对AFGROW中裂纹扩展的计算,确定从裂纹初始大小到失效的寿命为3100小时。裂缝长度与寿命、裂缝深度与寿命的结果分别如图UD-1.7和UD-1.8所示。生命是以飞行时间来衡量的。

图UD-1.7问题UDRI-1的裂纹长度与寿命

图UD-1.8问题UDRI-1的裂纹深度与寿命
寿命分析的验证:
为了验证分析程序,在工作应力谱下对4个试样进行了测试,并将这些结果与分析结果进行了比较。图UD-1.10所示,试验样本被设计来代表与实际飞机结构相匹配的局部特征。工作范围如表UD-1.1所示。试验结果汇总如表UD-1.8所示。
利用AFGROW程序对样本寿命进行预测。分析结果见表UD-1.8。用预测寿命除以实际寿命的比值(NP/NA)将预测结果与分析结果进行比较。

图UD-1.10。试样

表UD-1.8。2024- t351c (T)试样试验结果
NP/NA的讨论:
如果NP/NA比值等于1,则分析预测实际测试结果。如果NP/NA比值大于1,则为不保守分析。如果预测寿命小于实际寿命(NP/NA <1),则为保守分析。
如果比值过高或过低,即NP/NA=2或NP/NA=0.5,则应重新审查分析方法和假设,以纠正实验与分析之间的差异。
对于这些测试,NP/NA比值显示了测试结果与分析之间的良好相关性。四项检验中有三项表明该分析是保守的。
巡检周期
初始检查间隔为寿命的一半。预测寿命为3100小时,第一次检验设定为1550小时。
随后的检查是NDI现场可检测裂纹大小到临界裂纹大小的一半寿命。然而,对于该问题,破坏发生在现场可检测到裂纹大小之前。
应力情况讨论
由于临界裂纹尺寸(af)= 0.458英寸小于无损检测尺寸(aNDE = 0.5英寸),这种情况不允许使用多次检查。并且该结构必须归类为缓慢裂纹扩展临界。这意味着一旦达到初始检验期,就达到了结构的寿命极限,即寿命为1550次飞行(=3100/2)。另外,还可以使用结果来评估不同的检查和维修方案。例如,如果可以找到一种检查方法,可以检测到0.005英寸长的裂缝,那么两次检查之间的时间就变成了6575次飞行。因此,如果在第一次深入检查后将紧固件从孔中拉出,然后对这些孔进行冷加工,则寿命可以大大延长,并且可能不需要后续检查。
互补敏感性研究
·孔的冷加工/锥孔产生的残余压应力
·充填料孔荷载传递
·锥形孔-计算疲劳额定紧固件系统的一种方法是以0.005英寸的初始裂纹尺寸开始分析。
·迟滞模型(目前使用无迟滞)。